| Page 001 - DESIGN GOALS |
|
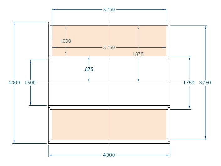
Given: Cut-away and Outline drawings of a housing to contain a single solenoid type coil are shown below. The housing overall length, outer diameter and inner diameter are defined by the customer as per their requirements. All housing parts are to be non-magnetic. The I.D. sleeve shall be non-conductive (phenolic). The housing cylinder and end plates shall be aluminum to facilitate heat transfer from the coils to the surrounding air space. Objective: To wind a coil in the available (shaded) volume that will yield a 200 +/- 5% gauss peak field while drawing 1.0 amp of D.C. current. The power requirement shall not exceed 10 watts. |
![]() |
The 3D solid cut-away (left) and the outline sketch (below) were created using Solid Edge 3D Demo, Jasc Paint Shop Pro and Micrografix Picture Publisher. |
|
| [TOC] [PREVIOUS] [NEXT] |